- TEPELNÉ ČERPADLÁ
- KOTLY A DOPLNKY
- KLIMATIZÁCIE A REREKUPERÁCIA VZDUCHU
- PLYNOVÉ KACHLE
- OHRIEVAČE VODY
- RADIÁTORY A PRÍSLUŠENSTVO
- ROZVODY ÚK, PLYN, VODA, ODPAD
- NÁRADIE
- KÚPEĽNOVÉ VYBAVENIE
- ČERPADLÁ, VODÁRNE, FILTRE
- SOLÁRNE SYSTÉMY
Novinky
Zobraziť všetky novinky- Úvod
- Vodovodné batérie a sprchy
- Batérie podomietkové
- HANSGROHE iBox základné teleso univerzál 01800180
HANSGROHE iBox základné teleso univerzál 01800180
Pridané do obľúbených
Produkt ľahko nájdete vo svojom zozname obľúbených, odkiaľ ho môžete kedykoľvek pridať do košíka alebo zdieľať s ostatnými.
100% bezpečná platbaPlatobné karty MasterCard, Visa, platby cez QR kódy, Apple Pay, Google Pay a iné
+421 948 849 899Neváhajte nás kontaktovať pri problémoch s výberom tovaru
+421 948 630 604Potrebujete preveriť stav svojej objednávky alebo skladovú dostupnosť?
Rozvoz tovaruRozvoz tovaru firemným autom v Trnave a okolí do 100km.- Kompletné špecifikácie
- Parametre
- Hodnotenie 0
- Komentáre 0
- Na stiahnutie
HANSGROHE iBox základné teleso univerzál 0180018093,27 EUR/ ks75,83 EUR bez DPH
Kompletné špecifikácie
HANSGROHE iBox základné teleso univerzál 01800180
HANSGROHEiBox je univerzálne podomietkové teleso pre batérie Hansgrohe, Axor.
Charakteristika výrobku
- závit prívodu Rp ¾
- vhodné pre všetky vrchné sady sprchových a vaňových batérií alebo termostatov pod omietku
- rotačne symetrická inštalácia
- s odhlučnením
- rozmer prívodu: DN20
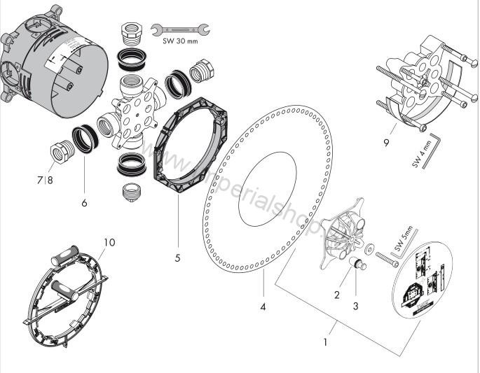
Náhradné súčiastky:

| Názov | Kód | |
| a | Servisná sada | 92874000 |
| b | Sada montážnych líšt | 96615000 |
| 1 | Preplachovací blok úplný | 98560000 |
| 2 | Zátka Ø 12 mm | 97611000 |
| 3 | O-krúžok 9x2 | 98119000 |
| 4 | Tesniaca manžeta | 96445000 |
| 5 | Nastavovací krúžok | 98797000 |
| 6 | Tesnenie | 97739000 |
| 7 | Vsuvka s redukcou | 97759000 |
| 8 | Vsuvka s redukcou | 97759980 |
| 9 | Predĺženie 25 mm | 13595000 |
| 10 | Pomoc pri montáži | 93500000 |
Viac informácií v katalógu náhradných dielov TU.
Náhradné diely sú výhradne na objednávku
Katalógové číslo: 1800180
Parametre
VýrobcaHANSGROHE
Tovar zaradený v kategóriách






.png)




